
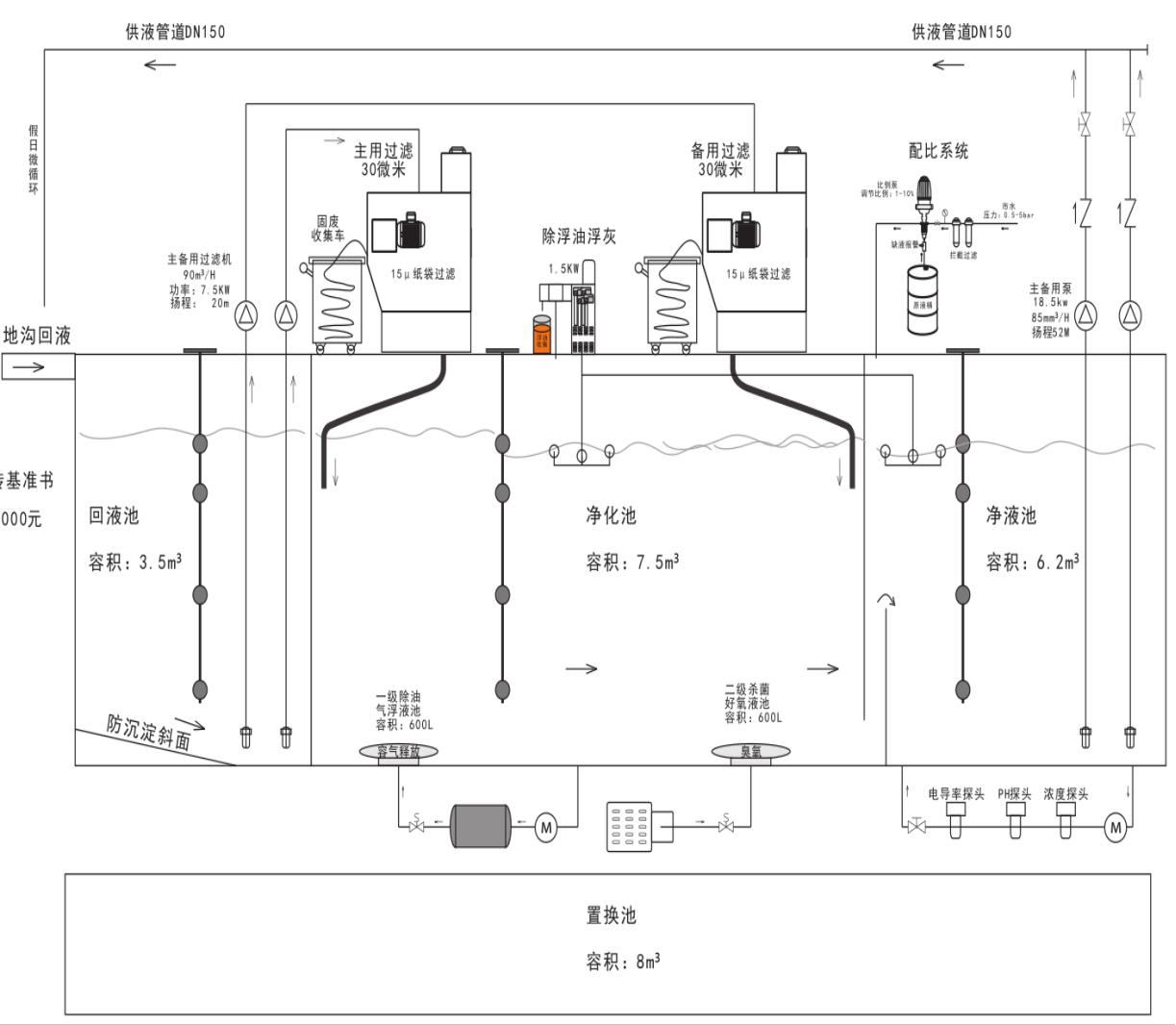
1) 預過濾:初步攔截過濾大顆粒雜質
2) 紙帶過濾:自動走紙運行過濾雜質,過濾精度30μm;
3) 氣浮裝置:納米氣泡混合,分離液體中的細微雜質和懸浮油,油水分離的效果
4) 殺菌裝置:多個臭氧殺菌裝置,殺菌除臭,確保過濾后切削液品質,延長切削液使用壽命;
5) 曝氣裝置:將臭氧分子均勻擴散至水體中,殺菌除臭更徹底;
6) 精密過濾裝置:增加液體過濾精度
對通過管路泵來的含有雜質的切削先進行一級沉淀槽沉淀過濾,而后進入到過濾液槽進行壓力過濾,經(jīng)過過濾的切削液由過濾泵泵入到供液管路而進入到CNC